水電pc管是什么意思?它常常和我們熟知的pvc管材混淆在一起,而對于業主用戶來說,基本只知曉pvc管,很少有人知曉pc管,但是在水電等裝修設計圖中又會經常出現“pc”標識,這就有點頭大了!
pc管和pvc管是什么?
PVC樹脂塑料制品突出優點是難燃性、耐磨性、抗化學腐蝕性、氣體水汽低滲漏性好。此外綜合機械性能、制品透明性、電絕緣性、隔熱、消聲、消震性也好,是性能價格比最為優越的通用型材料。

PC(聚碳酸酯)樹脂是一種性能優良的熱塑性工程塑料,具有突出的抗沖擊能力,耐蠕變和尺寸穩定性好,耐熱、吸水率低、無毒、介電性能優良,是五大工程塑料中唯一具有良好透明性的產品,也是近年來增長速度最快的通用工程塑料。
pc管和pvc管的用途
看到上述對于pc管和pvc管的介紹,似乎對于這2者來說,并沒有太大區別!但是在使用過程中,我們就會發現由于PC管和PVC管材質不同,最終會導致一個結果:PC管一般強度較高,而PVC管道強度較差。并且在價格上也不一樣,PC管較貴,而PVC管價格較低。因此PC管主要用在壓力較大的地方,如上水中有壓力的地方,PVC管一般用于沒有水壓力的地方,用于排水管中。
那在水電設計圖中標注的“pc”到底是指什么呢?
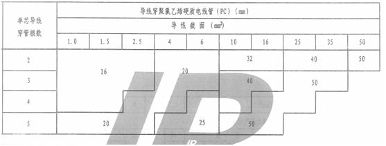
首先我們從圖集、規范中看一下PC管的相關內容:
1)在04DX101-1第P6-25頁表6.35對于PC管定義為聚氯乙烯硬質電線管。

2)在DBJT02-81-2013電氣專業圖集 12D1第P129頁中PC管同樣定義為聚氯乙烯硬質電線管。

3)在GBT50786-2012《電氣制圖標準》續表4.2.1-1中的解釋。

綜上所述電氣設計圖紙中標注的PC管,除特殊注明外為PVC材質的塑料導管。
其實對于家裝而言,pvc管不會浸泡在水中,也不會承受更大的壓力,因此在綜合性能以及性價比上也會選擇PVC管,而不會使用PC管,這也是為什么大多數業主都了解有pvc管材,卻對pc管材有很少了解的原因。
以上就是“水電圖紙上pc管是什么意思?它是什么管?和設計圖“pc”區別?”詳細解釋,希望可以讓你對此有所了解。




